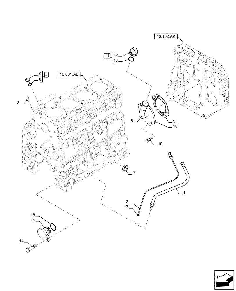
Запчасти Case F4HFE413N B006 (10.304.AJ) - DIPSTICK & OIL FILL TUBE (10) - ENGINE

Схема запчастей Case F4HFE413N B006 - (10.304.AJ) - DIPSTICK & OIL FILL TUBE (10) - ENGINE
10.102.ak
14
7
13
5
15
2
12
10
6
9
3
4
8
1
16
18
17
11
10.001.ab
FIT
1:1
100%

Артикул

Название

Примечание

Количество

1

47669514

TUBE

1шт.

2

2855815

DIPSTICK

1шт.

3

4895406

EXPANSION PLUG,9.8mm OD

1шт.

4

4897330

HEX SOCKET PLUG,M12 x 1.5

ASSY, Incl 5, 6

2шт.

5

NSS

NOT SOLD SEPARAT

Plug, Incl in 4

2шт.

6

4895610

O-RING,2.2mm Thk x 9.3mm ID

1шт.

7

4895037

EXPANSION PLUG,32.03mm

1шт.

8

2853116

NECK FILLER

1шт.

9

4896897

GASKET,1.35mm Thk

1шт.

10

4899037

SCREW

2шт.

11

2853410

FILLER CAP,Female

ASSY, Incl 12,13

1шт.

12

NSS

NOT SOLD SEPARAT

Plug, Incl in 11

1шт.

13

2853412

O-RING,0.21" Thk x 1.475" ID

1шт.

14

2853118

BOLT,Hex, M6 x 1 x 18mm

1шт.

15

NS

NOT SERVICED

Plug

1шт.

16

2852801

O-RING

1шт.

17

4898502

O-RING,0.364" ID x 0.504" OD x 0.07"

1шт.

18

2852175

COVER

1шт.

Выбрано товаров: 18