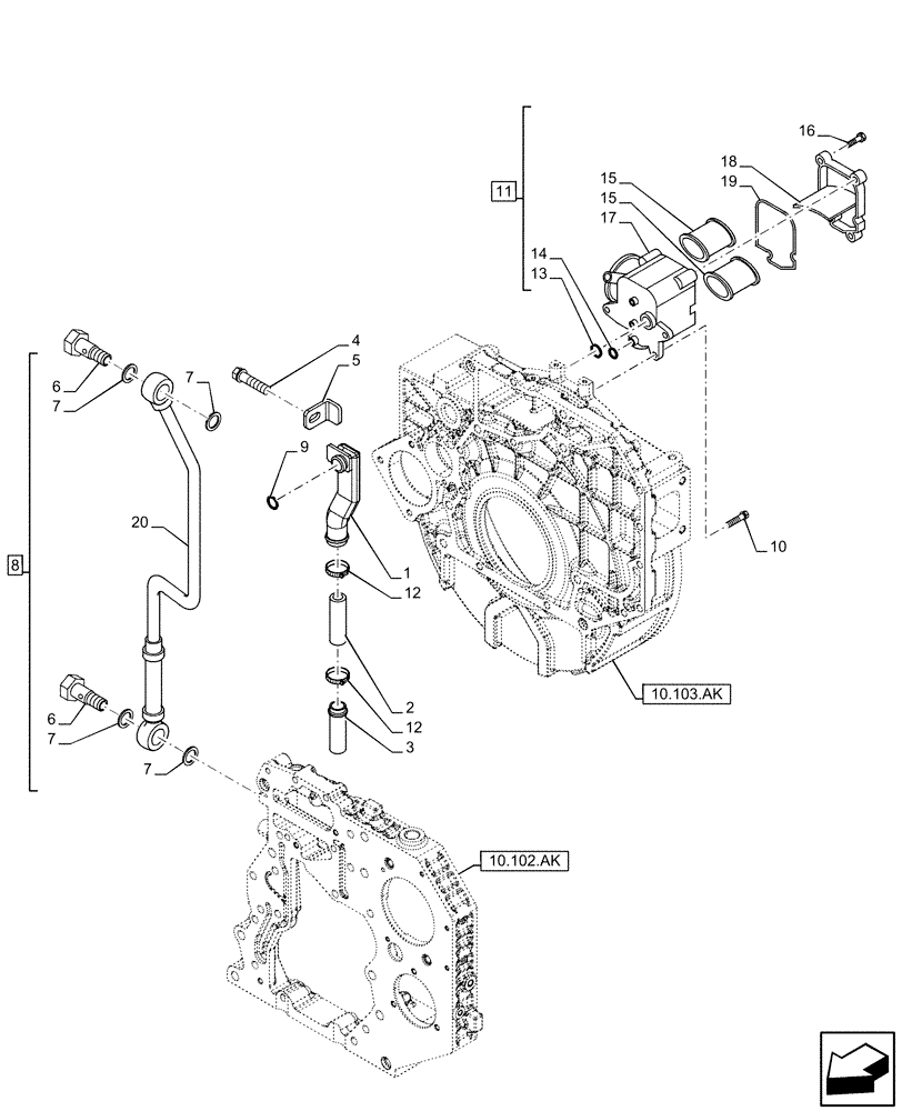
Запчасти Case F4HFE413N B006 (10.304.AP) - ENGINE BREATHER (10) - ENGINE

Схема запчастей Case F4HFE413N B006 - (10.304.AP) - ENGINE BREATHER (10) - ENGINE
10.102.ak
13
11
8
1
16
2
17
9
7
15
6
12
18
5
4
7
6
19
3
12
7
15
10
20
14
7
10.103.ak
FIT
1:1
100%

Артикул

Название

Примечание

Количество

1

4897534

TUBE

1шт.

2

4897546

RUBBER SLEEVE

1шт.

3

4897547

TUBE

1шт.

4

4897537

SCREW

M6 x 1mm x 10mm

1шт.

5

4897536

BRACKET

1шт.

6

2852772

BANJO BOLT

M12 x 1.5 x 30, Incl in 8

2шт.

7

NS

NOT SERVICED

Sealing Washer, Incl in 6

4шт.

8

4899219

TUBE

ASSY, Incl 6 - 7, 20

1шт.

9

4898439

O-RING,20.29mm ID x 2.62mm Width

1шт.

10

4899092

SCREW,Hex Flg, M6 x 1 x 25

3шт.

11

4892871

BREATHER

Incl 13 - 20

1шт.

12

4893234

HOSE CLAMP

Breather Hose

2шт.

13

4898372

O-RING,13.11mm ID x 2.62mm Width

1шт.

14

2830304

O-RING

D10.6, Incl in 11

1шт.

15

NSS

NOT SOLD SEPARAT

Breather Element, Incl in 11

1шт.

16

NS

NOT SERVICED

Self-Tap Screw, Incl in 11

6шт.

17

2830307

BREATHER

1шт.

18

2830302

COVER

1шт.

19

NS

NOT SERVICED

Gasket Breather, Incl in 11

1шт.

20

NSS

NOT SOLD SEPARAT

Tube, Incl in 8

1шт.

Выбрано товаров: 20