Запчасти Case F4HFE413N B007 (10.218.AI[02]) - INJECTION PIPE (10) - ENGINE

Схема запчастей Case F4HFE413N B007 - (10.218.AI[02]) - INJECTION PIPE (10) - ENGINE
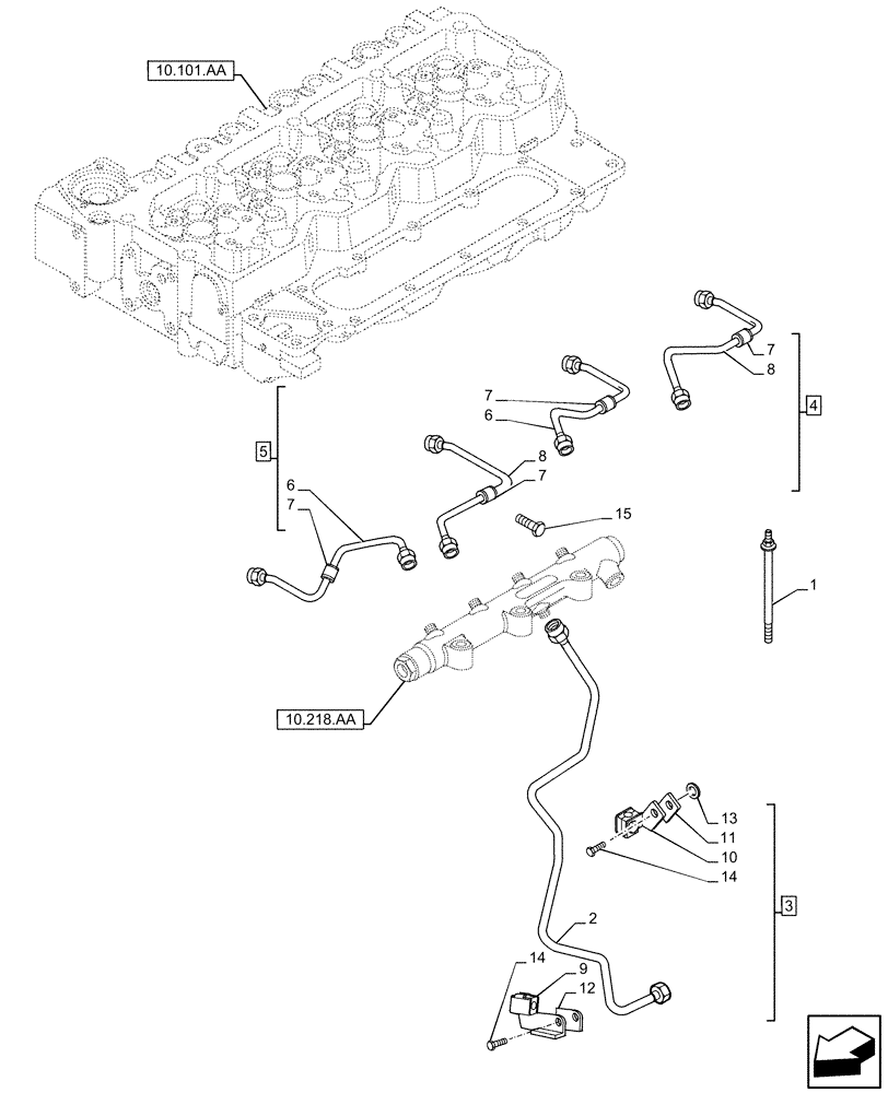
10.218.aa
6
14
1
10
7
12
6
14
3
15
2
7
13
8
5
4
7
8
7
11
9
10.101.aa
FIT
1:1
100%

Артикул

Название

Примечание

Количество

1

2853537

BOLT,Hex Flange Head Cap M8 x 1.25 x 125mm

3шт.

2

NSS

NOT SOLD SEPARAT

Pipe, Incl in 3

1шт.

3

2857022

PIPE

ASSY, Incl 2, 9 - 14

1шт.

4

2857017

PIPE

ASSY, Incl 7 - 8

2шт.

5

2857020

PIPE

ASSY, Incl 6 - 7

2шт.

6

2857021

PIPE

2шт.

7

2854548

SILENTBLOC

2шт.

8

NSS

NOT SOLD SEPARAT

Pipe, Incl in 4

2шт.

9

2854557

CLAMP BRACKET

2шт.

10

2854556

CLAMP BRACKET

2шт.

10

2854558

RUBBER SEAL

2шт.

11

2854554

BRACKET

1шт.

12

2854555

CLAMP BRACKET

1шт.

13

2852434

SPACER

1шт.

14

2854559

SCREW

2шт.

15

4896884

BOLT,Flng, M8 x 1.25 x 16mm, Cl 10.9

1шт.

Выбрано товаров: 16