Запчасти Case F4HFE413P A001 (10.001.AB) - CRANKCASE (10) - ENGINE

Схема запчастей Case F4HFE413P A001 - (10.001.AB) - CRANKCASE (10) - ENGINE
10.106.ao (01)
3
21
15
13
8
20
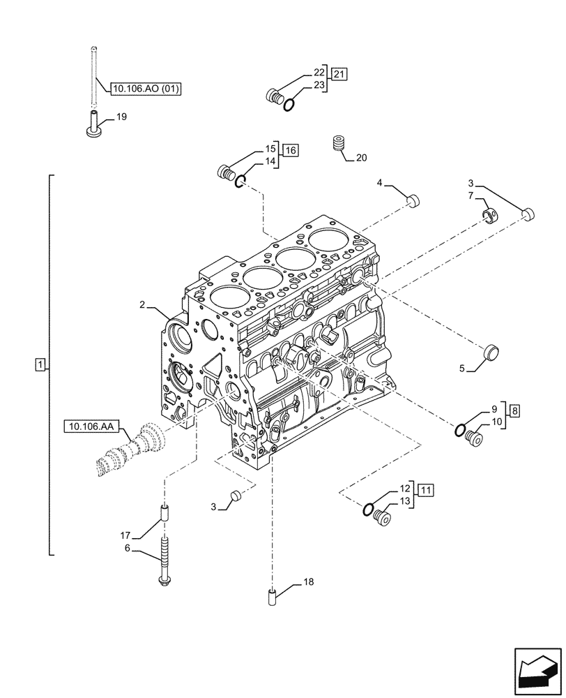
1
18
3
12
7
22
2
4
10
17
16
23
6
14
11
5
19
9
10.106.aa
FIT
1:1
100%

Артикул

Название

Примечание

Количество

1

2830057

CYLINDER BLOCK,4 Cylinders

ASSY, Incl 2 - 7, 17 - 21

1шт.

2

NSS

NOT SOLD SEPARAT

Crankcase, Incl in 1

1шт.

3

4895039

EXPANSION PLUG,M17.73

3шт.

4

4895038

EXPANSION PLUG,M58.06

4шт.

5

4895228

EXPANSION PLUG,35.23mm x 7.94mm

2шт.

6

4891353

SCREW,Flg Hd, M12 x 1.5 x 120

10шт.

7

4895040

BUSHING,54.39mm ID x 59.39mm OD x 25.4mm L

1шт.

8

4895605

HEX SOCKET PLUG,M14 x 1.5

ASSY, Incl 9,10

1шт.

9

NSS

NOT SOLD SEPARAT

O-Ring, Incl in 8

1шт.

10

4899115

O-RING,2.2mm Thk x 11.3mm ID

1шт.

11

4899009

PLUG,M10 x1

ASSY, Incl 12, 13

2шт.

12

4899072

O-RING,1.6mm Thk x 8.1mm ID

1шт.

13

NSS

NOT SOLD SEPARAT

Plug, Incl in 11

1шт.

14

4895393

O-RING,2.2mm Thk x 15.3mm ID

1шт.

15

4895394

HEX SOCKET PLUG,M18 x 1.5

M18 x 1.5

1шт.

16

4895392

HEX SOCKET PLUG,M18 x 1.5

ASSY, Incl 14, 15

2шт.

17

4899026

DOWEL,M18 x 10

4шт.

18

4892952

BEARING CAP,27.5 mm

1шт.

19

4895921

BEARING ASSY,86.1mm D

ASSY, Incl 17, 18

1шт.

20

4892951

BEARING CAP,24.5 mm

1шт.

21

4895919

BEARING ASSY,86.1mm D

ASSY, Incl 17, 20

4шт.

22

4895049

DOWEL,M16.05 x 10

2шт.

23

4891226

TAPPET

8шт.

Выбрано товаров: 23