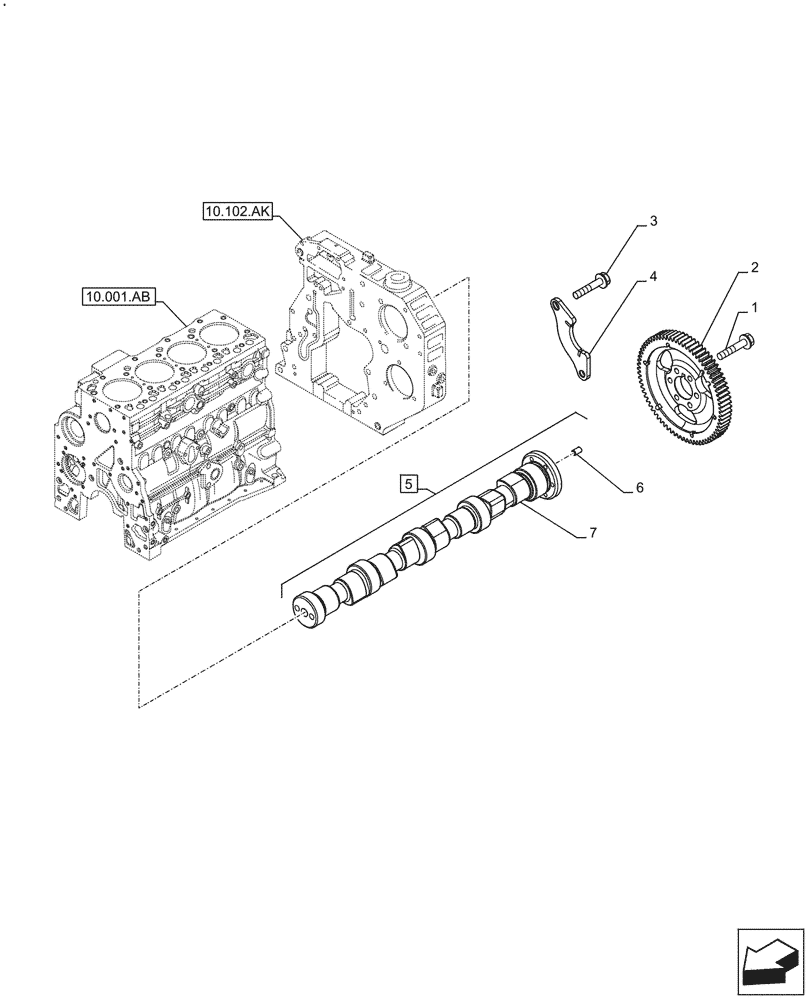
Запчасти Case F4HFE413P A001 (10.106.AA) - CAMSHAFT (10) - ENGINE

Схема запчастей Case F4HFE413P A001 - (10.106.AA) - CAMSHAFT (10) - ENGINE
10.102.ak
1
3
2
7
4
7
6
5
10.001.ab
FIT
1:1
100%

Артикул

Название

Примечание

Количество

1

4899079

SCREW,Hex Flg, M8 x 1.25 x 25

6шт.

2

4896381

GEAR

1шт.

3

4899068

BOLT,Flng, M8 x 1.25 x 16mm

2шт.

4

4897457

SUPPORT

1шт.

5

504345136

ASSY, Incl 6, 7

CAMSHAFT

1шт.

5

504345136R

F4HFE413P*A001 Engine - 5801655811 - 47426272, Assy (11/13-), Reman for New PN 2859627

1шт.

5

504345136C

Return Number

1шт.

6

4899080

DOWEL,M6 x 8 L

1шт.

7

NSS

NOT SOLD SEPARAT

Camshaft, Incl in 5

1шт.

Выбрано товаров: 9