Запчасти Case F4HFE413P A008 (10.101.AA) - CYLINDER HEAD (10) - ENGINE

Схема запчастей Case F4HFE413P A008 - (10.101.AA) - CYLINDER HEAD (10) - ENGINE
10.101.am
11
7
4
9
3
5
6
12
3
2
4
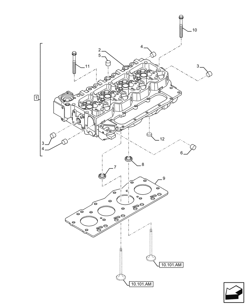
1
8
10
10.101.am
FIT
1:1
100%

Артикул

Название

Примечание

Количество

1

2831266

CYLINDER HEAD,4 Cylinders

ASSY, Incl 2 - 6

1шт.

2

NSS

NOT SOLD SEPARAT

Cylinder head, Incl in 1

1шт.

3

4895085

EXPANSION PLUG,25.74mm

9шт.

4

4895406

EXPANSION PLUG,9.8mm OD

5шт.

5

4895089

PLUG,0.886" L

7шт.

6

4895407

EXPANSION PLUG,38.28mm OD

2шт.

8

4897578

VALVE SEAT,28mm ID x 34.9mm OD x 5.75mm L

8шт.

7

4897106

VALVE SEAT,28mm ID x 34.9mm OD x 5.75mm L

8шт.

12

4893036

PIPE PLUG,3/4"-14 NPTF

1шт.

9

5801418585

CYLINDER HEAD GASKET,GASKET CYLINDER HEAD 1 1 MM

1шт.

9

5801418586

CYLINDER HEAD GASKET,GASKET CYLINDER HEAD 1 2 MM

1шт.

10

4891024

BOLT,Flng, M12 x 1.75 x 130mm

8шт.

11

4891025

SCREW,Flng, M12 x 1.75 x 150mm

10шт.

Выбрано товаров: 13