Качественные детали и логистика
Оригинальные и аналоговые запчасти с доставкой по России, Казахстану и Беларуси
©2022 PartSell ООО "Система" ИНН 2463123282 ОГРН 1212400004838
Центральный офис: г. Красноярск, Академика Киренского, д.87, пом.4
Телефон: 8 (800) 777-65-74 Email: zakaz@partsell.ru
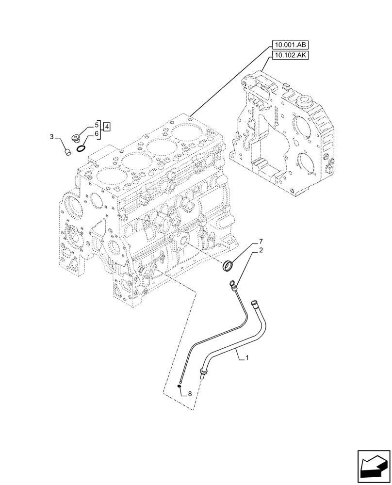
(10.304.AJ) - OIL FILLER
№
Артикул
Название
Примечание
Количество
1
47669514
TUBE
1шт.
2
2855815
DIPSTICK
3
4895406
EXPANSION PLUG,9.8mm OD
4
4897330
HEX SOCKET PLUG,M12 x 1.5
ASSY, Incl 5, 6
2шт.
5
NSS
NOT SOLD SEPARAT
Plug, Incl in 4
6
4895610
O-RING,2.2mm Thk x 9.3mm ID
7
4895037
EXPANSION PLUG,32.03mm
8
4898502
O-RING,0.364" ID x 0.504" OD x 0.07"
2852801
O-RING
Выбрано товаров: 0