Запчасти Case F4HFE413X B001 (10.304.AJ) - OIL FILLER (10) - ENGINE

Схема запчастей Case F4HFE413X B001 - (10.304.AJ) - OIL FILLER (10) - ENGINE
4
8
6
1
10.001.ab
3
2
10.102.ak
5
7
FIT
1:1
100%

Артикул

Название

Примечание

Количество

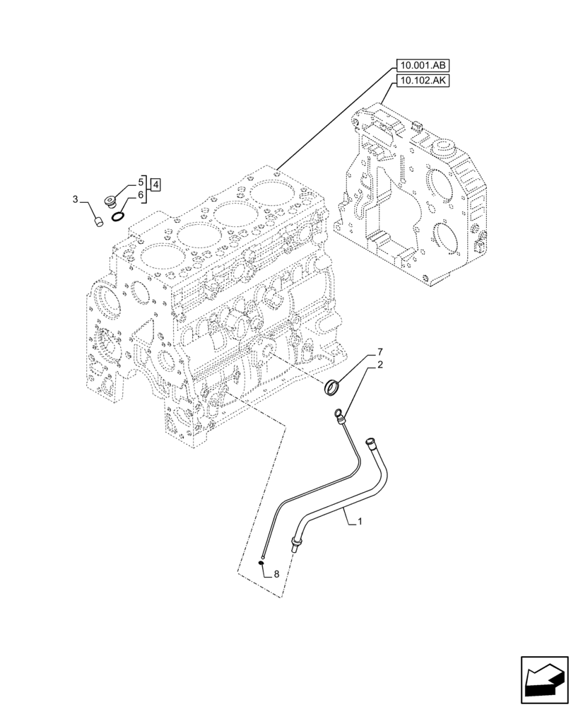
1

47669514

TUBE

1шт.

2

2855815

DIPSTICK

1шт.

3

4895406

EXPANSION PLUG,9.8mm OD

1шт.

4

4897330

HEX SOCKET PLUG,M12 x 1.5

ASSY, Incl 5, 6

2шт.

5

NSS

NOT SOLD SEPARAT

Plug, Incl in 4

2шт.

6

4895610

O-RING,2.2mm Thk x 9.3mm ID

1шт.

7

4895037

EXPANSION PLUG,32.03mm

1шт.

8

4898502

O-RING,0.364" ID x 0.504" OD x 0.07"

1шт.

8

2852801

O-RING

2шт.

Выбрано товаров: 9