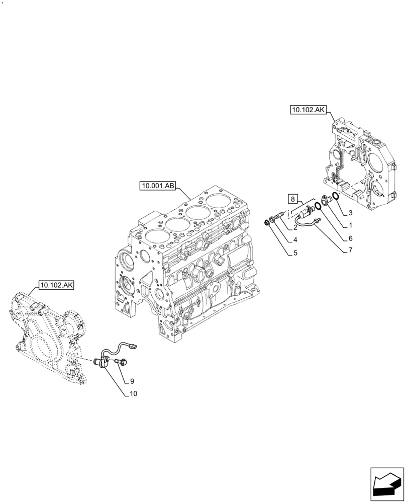
Запчасти Case F4HFE413Y B001 (55.015.AC) - ENGINE SPEED/RPM SENSOR (55) - ELECTRICAL SYSTEMS

Схема запчастей Case F4HFE413Y B001 - (55.015.AC) - ENGINE SPEED/RPM SENSOR (55) - ELECTRICAL SYSTEMS
6
10.102.ak
5
1
2
10
10.001.ab
8
4
3
7
10.102.ak
9
FIT
1:1
100%

Артикул

Название

Примечание

Количество

1

84370070

HOUSING

1шт.

2

84370071

STUD,M6 x 1 x 39mm

1шт.

3

4895477

O-RING,2.62mm Thk x 13.94mm ID

1шт.

4

4899124

WASHER

1шт.

5

2854282

NUT,M6 x 1

M6 x 1

1шт.

6

2852820

O-RING,0.07" Thk x 0.676" ID, 17, Cl 7, 75 Duro

M17.17 x 1.78mm

1шт.

7

NSS

NOT SOLD SEPARAT

Sensor, Incl in 8

1шт.

8

4890190

SENSOR

ASSY, Incl 6, 7

1шт.

9

4899110

SCREW,Hex Flg, M6 x 1 x 20

3шт.

10

4890189

SENSOR

1шт.

Выбрано товаров: 10