Запчасти Case F5BFL413A B007 (10.106.AP) - ROCKSHAFT (10) - ENGINE

Схема запчастей Case F5BFL413A B007 - (10.106.AP) - ROCKSHAFT (10) - ENGINE
4
2
10.106.aq
1
3
5
10.101.aa
3
FIT
1:1
100%

Артикул

Название

Примечание

Количество

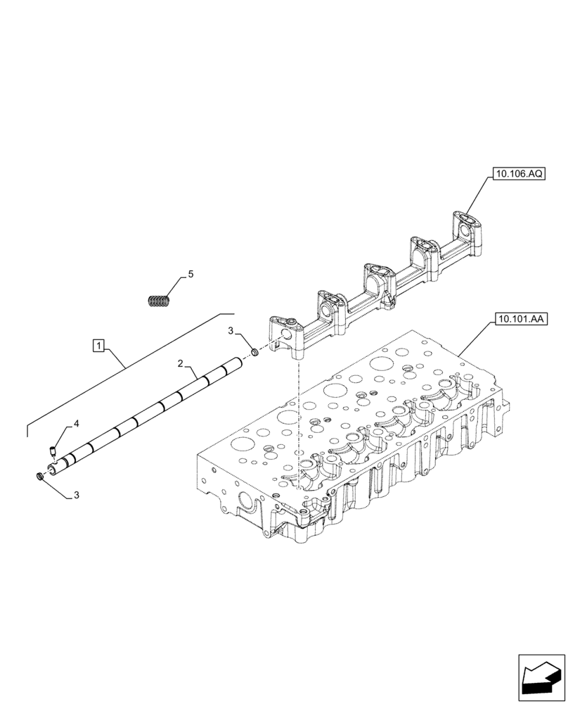
1

5801702180

ROCKSHAFT

1шт.

2

NSS

NOT SOLD SEPARAT

Rocker Shaft, Incl in 1

1шт.

3

16987801

PLUG,Lock, M12

D=12 mm

2шт.

4

99454296

SCREW

1шт.

5

5801702183

SPRING

4шт.

Выбрано товаров: 5