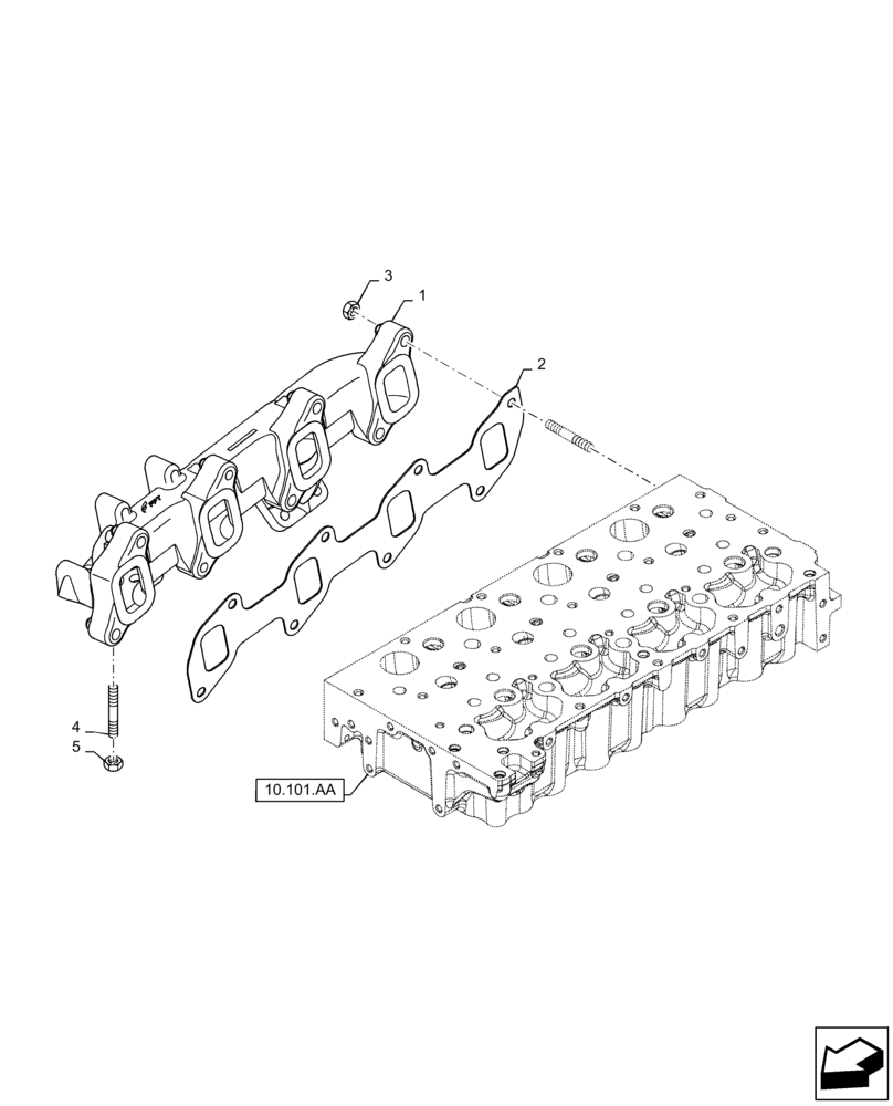
Запчасти Case F5BFL413A B007 (10.254.AC) - EXHAUST MANIFOLD (10) - ENGINE

Схема запчастей Case F5BFL413A B007 - (10.254.AC) - EXHAUST MANIFOLD (10) - ENGINE
5
4
2
3
10.101.aa
1
FIT
1:1
100%

Артикул

Название

Примечание

Количество

1

504388669

EXHAUST MANIFOLD

1шт.

2

504170332

MANIFOLD GASKET

1шт.

3

504294819

NUT

8шт.

4

16729434

STUD,M8 x 25mm

2шт.

5

500322677

NUT,M8

2шт.

Выбрано товаров: 5