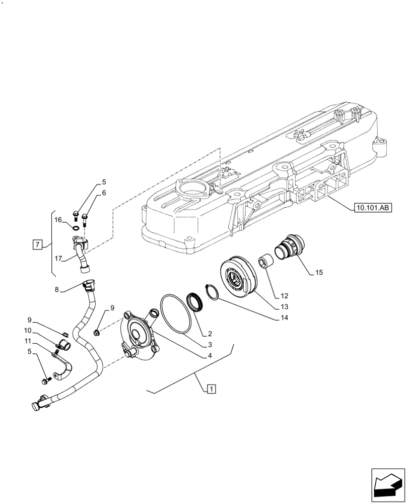
Запчасти Case F5BFL413A B009 (10.304.AP) - BREATHER (10) - ENGINE

Схема запчастей Case F5BFL413A B009 - (10.304.AP) - BREATHER (10) - ENGINE
6
1
15
14
7
1
5
16
12
13
5
10.101.ab
8
2
1
10
9
4
3
9
17
FIT
1:1
100%

Артикул

Название

Примечание

Количество

1

5801542914

BREATHER

ASSY; Incl 1 - 4

1шт.

2

504050244

SHAFT SEAL

1шт.

3

504325903

O-RING,91.41mm ID x 3.47mm

3,47 x 91,41 mm

1шт.

4

NSS

NOT SOLD SEPARAT

Breather; Incl in 1

1шт.

5

16978124

BOLT,Hex, M6 x 14mm

M6 x 14 mm

3шт.

6

16978124

BOLT,Hex, M6 x 14mm

M6 x 30 mm

1шт.

7

5801700221

PIPE

Incl 16

1шт.

8

5801700195

PIPE

1шт.

9

17044625

NUT,Hex, M6

M6

4шт.

10

17315290

CLAMP

D=14 mm

1шт.

11

5801567854

RETAINER

1шт.

12

5801363192

BUSHING

1шт.

13

504075145

ELEMENT

1шт.

14

16867073

SNAP RING

1шт.

15

5801572046

SHAFT

1шт.

16

17278390

O-RING

1шт.

17

NSS

NOT SOLD SEPARAT

Breather Pipe, Incl 7

1шт.

Выбрано товаров: 17