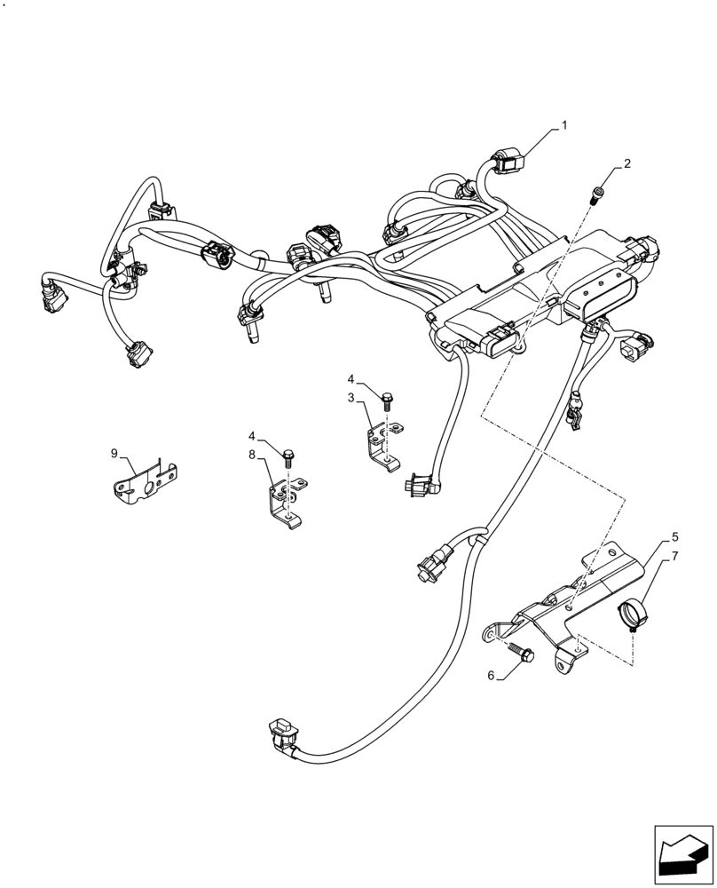
Запчасти Case F5BFL413A B009 (55.015.AB) - ENGINE, WIRE HARNESS (55) - ELECTRICAL SYSTEMS

Схема запчастей Case F5BFL413A B009 - (55.015.AB) - ENGINE, WIRE HARNESS (55) - ELECTRICAL SYSTEMS
9
1
5
8
6
3
7
4
4
2
FIT
1:1
100%

Артикул

Название

Примечание

Количество

1

5801773182

WIRE HARNESS

1шт.

2

16689124

SCREW,M6 x 16mm

1шт.

3

5801746038

RETAINER

1шт.

4

16978124

BOLT,Hex, M6 x 14mm

2шт.

5

5801701971

RETAINER

1шт.

6

16673635

BOLT,Hex, M8 x 1.25 x 20mm, Full Thd

M8 x 20

3шт.

7

5801392545

CLAMP

1шт.

8

5801718312

RETAINER

1шт.

9

5801547540

HANGER

1шт.

Выбрано товаров: 9