Запчасти Case F5BFL413D C001 (10.218.AA) - INJECTION EQUIPMENT - PIPING (10) - ENGINE

Схема запчастей Case F5BFL413D C001 - (10.218.AA) - INJECTION EQUIPMENT - PIPING (10) - ENGINE
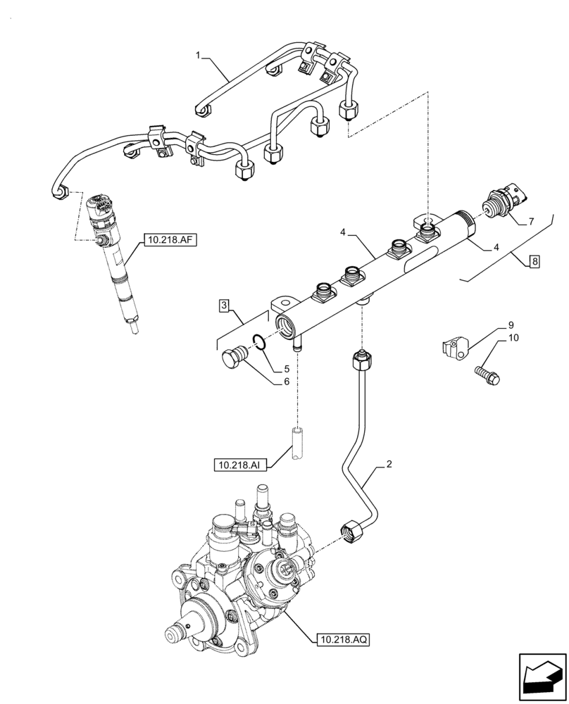
1
6
10.218.af
8
3
7
9
5
10.218.ai
4
4
10
2
10.218.aq
FIT
1:1
100%

Артикул

Название

Примечание

Количество

1

5801714290

INJECTION PIPE

1шт.

2

5801726553

PIPE

Injection Equipment

1шт.

3

5801593459

VALVE

Injection Equipment, Incl 5, 6

1шт.

4

NSS

NOT SOLD SEPARAT

Common Rail, Incl in 1

1шт.

5

42553494

O-RING,17mm ID x 2.50mm

1шт.

6

NSS

NOT SOLD SEPARAT

Valve, Injection Equipment, Incl in 3

1шт.

7

504382373

SENSOR

Pressure, Injection Equipment

1шт.

8

5801790327

ACCUMULATOR

Injection Equipment, ASSY, Incl 4, 7

1шт.

9

5801555842

BRACKET

Injection Equipment

1шт.

10

16597925

BOLT,Hex, M8 x 14mm

1шт.

Выбрано товаров: 10