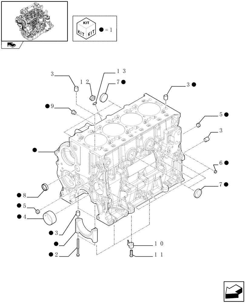
Запчасти Case F5CE5454B A002 (0.04.0) - CYLINDER BLOCK & RELATED PARTS (504181441)

Схема запчастей Case F5CE5454B A002 - (0.04.0) - CYLINDER BLOCK & RELATED PARTS (504181441)
home
1
1
1
1
1
11
1
1
1
3
7
6
5
1
3
3
9
5
10
12
4
1
1
8
1
2
13
1
1
7
3
1
FIT
1:1
100%

Артикул

Название

Примечание

Количество

1

504189766

CYLINDER BLOCK,4 Cylinders

- ASSY

1шт.

2

4891353

SCREW,Flg Hd, M12 x 1.5 x 120

10шт.

3

7300019

DOWEL,0.75mm Thk

14шт.

4

4895040

BUSHING,54.39mm ID x 59.39mm OD x 25.4mm L

1шт.

5

504051238

PLUG,Threaded, 3/8" Dia

D. 3/8"

3шт.

6

504051236

PLUG,Threaded, 1/8"

D. 1/8"

4шт.

7

14329901

PLUG,M40, Tapered

6шт.

8

16990970

PLUG,Lock, 30mm Dia

D. 30 mm

1шт.

9

504016052

PLUG,M14 x 1.5

M14X1,5

1шт.

10

504156514

LUBE OIL NOZZLE

LUBE OIL JET NOZZLE

1шт.

11

504173058

BANJO BOLT

1шт.

12

504356829

PIPE FITTING,M14 x 1.5

1шт.

13

504077652

SEALING WASHER,13mm ID x 19mm OD

1шт.

Выбрано товаров: 0