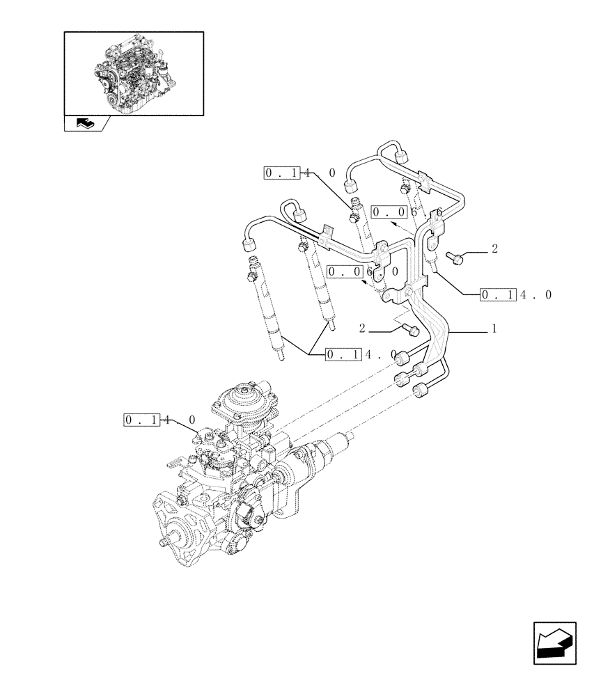
Запчасти Case F5CE5454B A002 (0.14.9) - INJECTION EQUIPMENT - PIPING (504207956)

Схема запчастей Case F5CE5454B A002 - (0.14.9) - INJECTION EQUIPMENT - PIPING (504207956)
0.14.0
2
1
0.14.0
0.06.0
0.06.6
0.14.0
2
0.14.0
home
FIT
1:1
100%

Артикул

Название

Примечание

Количество

1

504216298

INJECTION PIPE

1шт.

2

2852323

SCREW,M8 x 1.25 x 14mm

M8X14 mm

3шт.

Выбрано товаров: 0