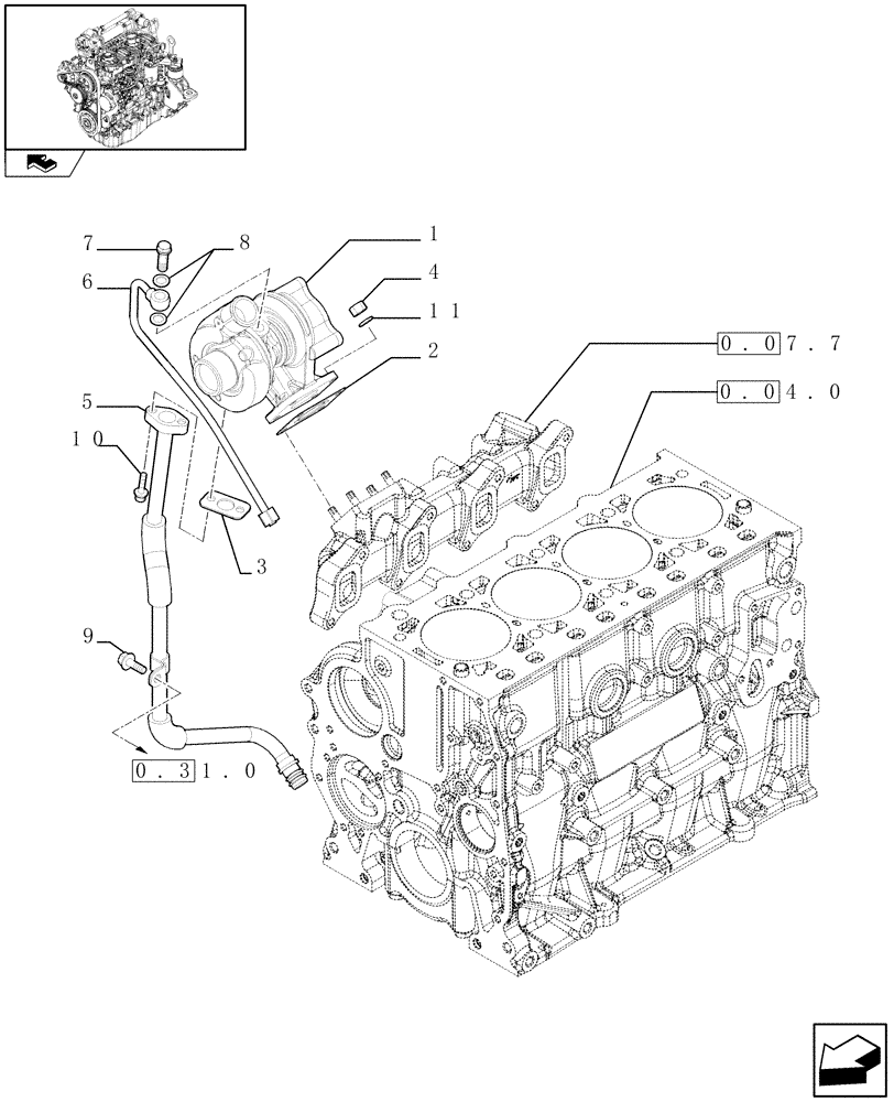
Запчасти Case F5CE5454B A002 (0.24.0) - TURBOCHARGING (504183274)

Схема запчастей Case F5CE5454B A002 - (0.24.0) - TURBOCHARGING (504183274)
11
4
2
0.04.0
0.07.7
0.31.0
7
3
1
9
8
5
6
10
home
FIT
1:1
100%

Артикул

Название

Примечание

Количество

1

504242763

TURBOCHARGER

1шт.

2

4899343

GASKET,0.45mm Thk

1шт.

3

500370706

GASKET

1шт.

4

500322677

NUT,M8

FLANGE NUT

4шт.

5

504164226

PIPE

1шт.

6

504164224

PIPE

1шт.

7

4864080

BANJO BOLT,M10 x 1.25

M10X1,25

1шт.

8

17750480

SEAL,12.2mm ID x 17.8mm OD x 1.5mm Thk

2шт.

9

16586225

BOLT,M8 x 16mm

1шт.

10

16585825

SCREW,M6 x 20mm

M6 x 20

2шт.

11

13550304

WASHER,8mm ID x 18mm OD x 2mm Thk

8,4X16 mm

4шт.

Выбрано товаров: 0