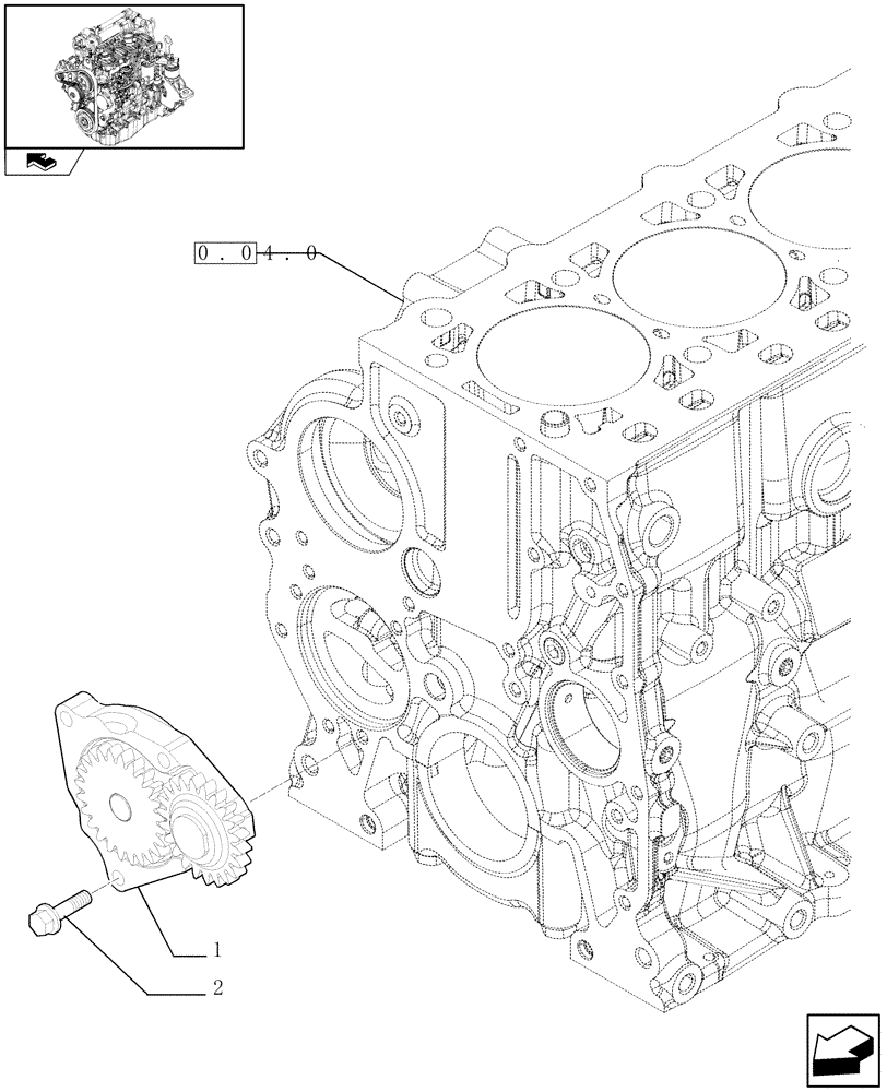
Запчасти Case F5CE5454B A002 (0.30.0) - PUMP, ENGINE OIL & RELATED PARTS (504154680)

Схема запчастей Case F5CE5454B A002 - (0.30.0) - PUMP, ENGINE OIL & RELATED PARTS (504154680)
home
1
2
0.04.0
FIT
1:1
100%

Артикул

Название

Примечание

Количество

1

504241684

ENGINE OIL PUMP

1шт.

2

4794007

SCREW,M22 x 103mm

3шт.

Выбрано товаров: 2