Запчасти Case F5CE5454B A002 (0.70.0) - DIAGNOSTIC SENSOR (504245285)

Схема запчастей Case F5CE5454B A002 - (0.70.0) - DIAGNOSTIC SENSOR (504245285)
7
6
0.04.0
0.07.1
0.32.6
0.06.0
0.30.2
4
3
1
home
5
2
FIT
1:1
100%

Артикул

Название

Примечание

Количество

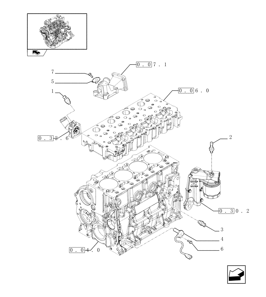
1

2852157

SENSOR

Water

1шт.

2

2852889

PRESSURE SWITCH

1шт.

3

2852087

SENSOR

Water temperature KSB

1шт.

4

500374763

TRANSMITTER

Crankshaft

1шт.

5

504088431

SENSOR

Air press. & temperature

1шт.

6

16585625

SCREW,Hex, M6 x 12mm

M6X12 mm

1шт.

7

16585825

SCREW,M6 x 20mm

M6 x 20

1шт.

Выбрано товаров: 0