Качественные детали и логистика
Оригинальные и аналоговые запчасти с доставкой по России, Казахстану и Беларуси
©2022 PartSell ООО "Система" ИНН 2463123282 ОГРН 1212400004838
Центральный офис: г. Красноярск, Академика Киренского, д.87, пом.4
Телефон: 8 (800) 777-65-74 Email: zakaz@partsell.ru
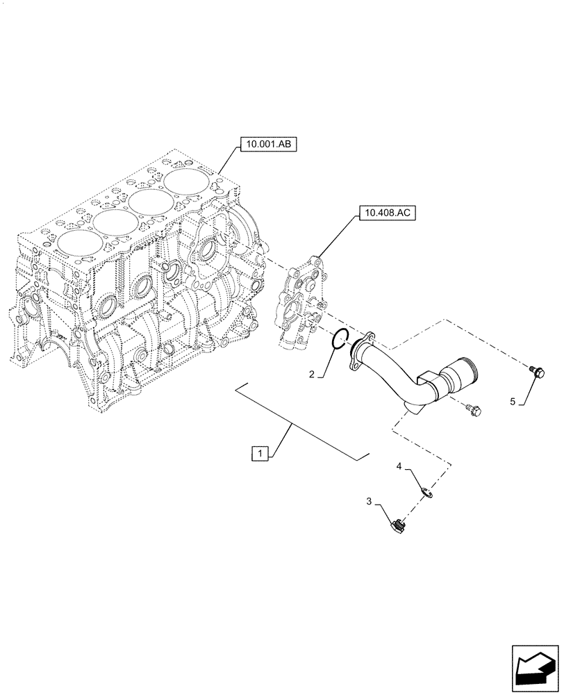
(10.400.AE) - COOLING SYSTEM LINE
№
Артикул
Название
Примечание
Количество
1
504182961
PIPE
Water, Incl 2
1шт.
2
17289081
O-RING,31.34mm ID x 3.53mm
3
10300714
PLUG,M16 x 1.5 x 14
4
4858609
WASHER,Brass
5
2854311
SCREW,Hex, Flg Hd, M8 x 1.25 x 18mm
3шт.
Выбрано товаров: 0