Качественные детали и логистика
Оригинальные и аналоговые запчасти с доставкой по России, Казахстану и Беларуси
©2022 PartSell ООО "Система" ИНН 2463123282 ОГРН 1212400004838
Центральный офис: г. Красноярск, Академика Киренского, д.87, пом.4
Телефон: 8 (800) 777-65-74 Email: zakaz@partsell.ru
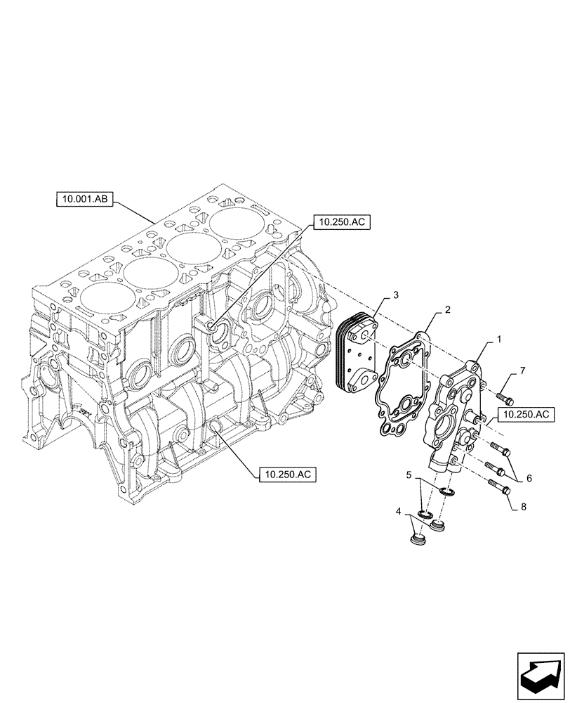
(10.408.AC) - HEAT EXCHANGER
№
Артикул
Название
Примечание
Количество
1
504155542
BODY
Heat Exchanger
1шт.
2
504155544
GASKET
3
504164307
OIL COOLER
4
10275011
PLUG,M22 x 1.5 x 13
2шт.
5
87332142
SEAL,23.5mm ID x 30mm OD x 1.5mm Thk
6
16586725
BOLT,Hex, M8 x 1.25 x 40mm
7
16673835
BOLT,Hex, M8 x 30mm
9шт.
8
16586925
BOLT,M8 x 50mm
Выбрано товаров: 0