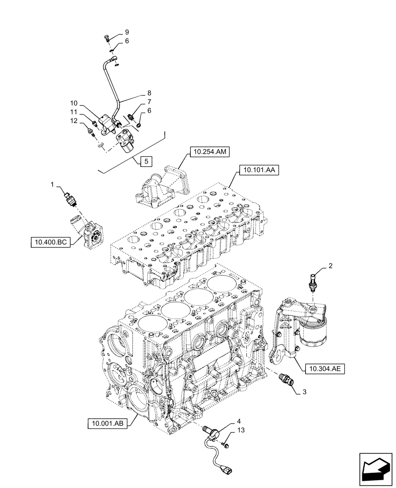
Запчасти Case F5CE5454B A005 (55.013.AB) - DIAGNOSTIC SENSOR (55) - ELECTRICAL SYSTEMS

Схема запчастей Case F5CE5454B A005 - (55.013.AB) - DIAGNOSTIC SENSOR (55) - ELECTRICAL SYSTEMS
10.001.ab
7
2
4
10.101.aa
5
11
10.304.ae
8
6
1
6
12
9
13
3
10.400.bc
10.254.am
10
FIT
1:1
100%

Артикул

Название

Примечание

Количество

1

2852157

SENSOR

Water

1шт.

2

2852889

PRESSURE SWITCH

Engine Oil

1шт.

3

504273290

SENSOR

Water temperature KSB

1шт.

4

500374763

TRANSMITTER

Crankshaft

1шт.

5

504307972

Incl 6 - 12

SUPPORT

1шт.

6

10260150

SEALING WASHER,M10.2 x 14 x 1, Alum

3шт.

7

41905549

HYD CONNECTOR

1шт.

8

504309070

Air

PIPE

1шт.

9

16511111

BANJO BOLT

1шт.

10

504245257

SENSOR

Air Pressure and Temperature

1шт.

11

16689121

SCREW,Skt Hd, M6 x 16mm

1шт.

12

16592625

SCREW,M8 x 80mm

1шт.

13

16585625

SCREW,Hex, M6 x 12mm

1шт.

Выбрано товаров: 13