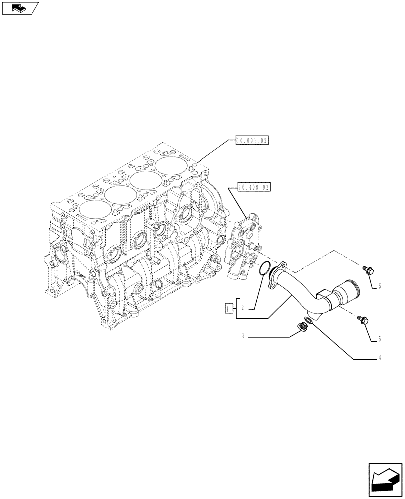
Запчасти Case F5CE5454C A003 (10.402.03) - PIPING - ENGINE COOLING SYSTEM (504191839) (10) - ENGINE

Схема запчастей Case F5CE5454C A003 - (10.402.03) - PIPING - ENGINE COOLING SYSTEM (504191839) (10) - ENGINE
3
4
2
5
home
10.001.02
5
1
10.408.02
FIT
1:1
100%

Артикул

Название

Примечание

Количество

1

504182961

PIPE

- ASSY

1шт.

2

17289081

O-RING,31.34mm ID x 3.53mm

D. 31,34X3,53 mm

1шт.

3

10300714

PLUG,M16 x 1.5 x 14

M16 x 1.5

1шт.

4

4858609

WASHER,Brass

D = 16 x 20

1шт.

5

2854311

SCREW,Hex, Flg Hd, M8 x 1.25 x 18mm

M8X1,25X18 mm

1шт.

Выбрано товаров: 5