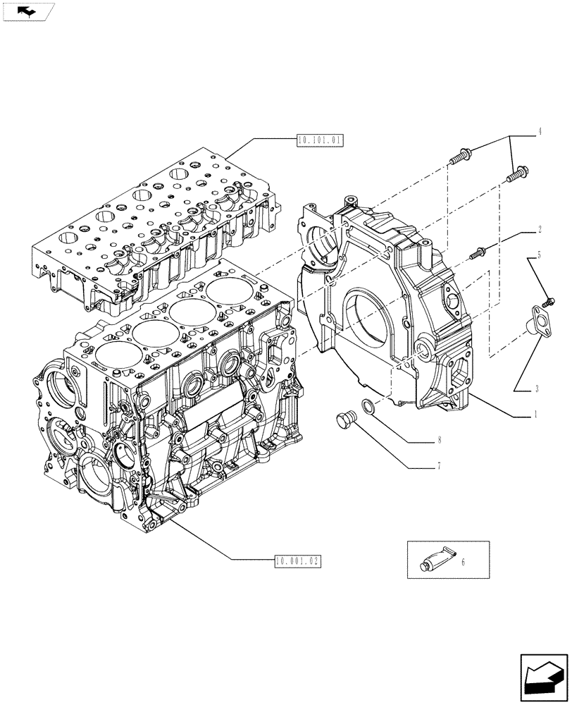
Запчасти Case F5CE5454G A001 (10.102.03) - FLYWHEEL CASE (504380467) (10) - ENGINE

Схема запчастей Case F5CE5454G A001 - (10.102.03) - FLYWHEEL CASE (504380467) (10) - ENGINE
8
2
1
10.001.02
10.101.01
7
home
4
6
5
home
3
FIT
1:1
100%

Артикул

Название

Примечание

Количество

1

504380468

HOUSING

1шт.

2

16673935

BOLT,Hex, M8 x 35mm

M8 x 35 mm

2шт.

3

504268669

PLATE

1шт.

4

16678435

BOLT

M12 x 60 mm

6шт.

5

504351177

M8 x 1,25

SCREW,M8 x 1.25

2шт.

6

2995644

SEALANT

1шт.

7

4895378

BUTTON PLUG,M29.2

1шт.

8

4895379

O-RING,21.82mm ID x 3.53mm Width

1шт.

Выбрано товаров: 0