Качественные детали и логистика
Оригинальные и аналоговые запчасти с доставкой по России, Казахстану и Беларуси
©2022 PartSell ООО "Система" ИНН 2463123282 ОГРН 1212400004838
Центральный офис: г. Красноярск, Академика Киренского, д.87, пом.4
Телефон: 8 (800) 777-65-74 Email: zakaz@partsell.ru
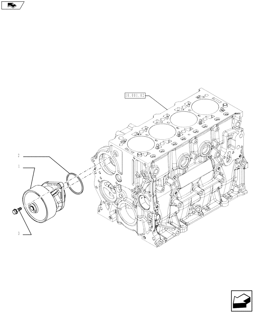
(10.402.02) - WATER PUMP & RELATED PARTS (504154685)
№
Артикул
Название
Примечание
Количество
1
504216828
WATER PUMP
1шт.
504216828R
REMAN-WATER PUMP
C227, L223, SR200, TR270 all (4/11-)
504216828C
CORE-WATER PUMP
Return Number
2
2852047
SEALING RING,Square, 5.16mm Thk x 88.27mm ID
3
16586424
SCREW,M8 x 25mm
M8 x 25
2шт.
Выбрано товаров: 0