Запчасти Case F5CE9454G A001 (1220.004) - CONTROLS (10) - ENGINE

Схема запчастей Case F5CE9454G A001 - (1220.004) - CONTROLS (10) - ENGINE
FIT
1:1
100%

Артикул

Название

Примечание

Количество

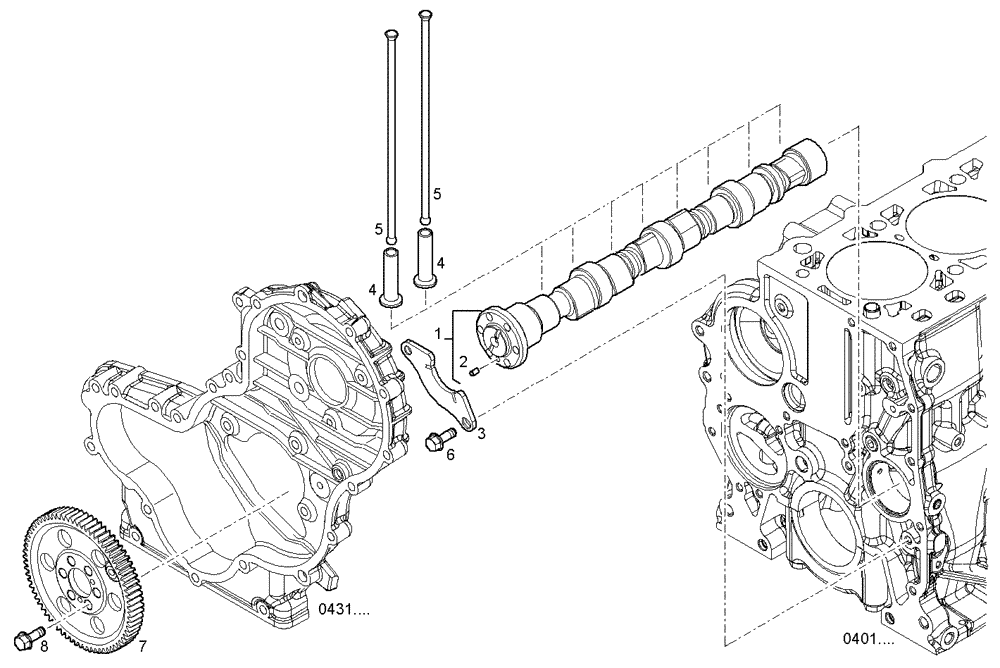
1

504272271

CAMSHAFT

CAMSHAFT

1шт.

1

504272271R

REMAN-CAMSHAFT

F5AE9484A*A004, F5AE9484B*A005, F5AE9484G*A008, F5CE9454G*A001 ENGINE 504387946 - 84230115, All CAMSHAFT

1шт.

1

504272271C

CORE-CAMSHAFT

Return Number

1шт.

2

10839510

DOWEL,M6 x 9

DOWEL PIN

1шт.

3

4897457

SUPPORT

YOKE

1шт.

4

98471524

TAPPET

VALVE TAPPET, +0,0 MM

8шт.

5

504163240

PUSH ROD

PUSHROD

8шт.

6

16586324

BOLT,Hex, M8 x 20mm, Cl 8.8, Full Thd

HEXAGON BOLT, M8X1,25X20 MM

2шт.

7

504240396

GEAR

CAMSHAFT PINION

1шт.

8

16586324

BOLT,Hex, M8 x 20mm, Cl 8.8, Full Thd

HEXAGON BOLT, M8X1,25X20 MM

6шт.

Выбрано товаров: 10