Качественные детали и логистика
Оригинальные и аналоговые запчасти с доставкой по России, Казахстану и Беларуси
©2022 PartSell ООО "Система" ИНН 2463123282 ОГРН 1212400004838
Центральный офис: г. Красноярск, Академика Киренского, д.87, пом.4
Телефон: 8 (800) 777-65-74 Email: zakaz@partsell.ru
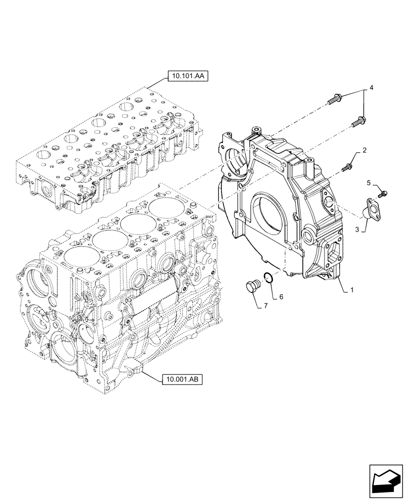
(10.103.AK) - FLYWHEEL CASE
№
Артикул
Название
Примечание
Количество
1
504380468
HOUSING
Flywheel
1шт.
2
16673935
BOLT,Hex, M8 x 35mm
2шт.
3
NS
NOT SERVICED
Plate
4
16678435
BOLT
6шт.
5
Screw
6
17288480
O-RING,21.81mm ID x 3.53mm
7
4895378
BUTTON PLUG,M29.2
Выбрано товаров: 0