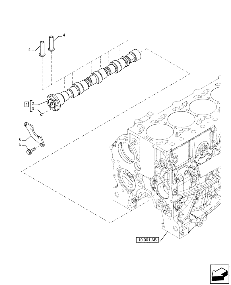
Запчасти Case F5HFL463A F001 (10.106.AA) - CAMSHAFT, TIMING CONTROL (10) - ENGINE

Схема запчастей Case F5HFL463A F001 - (10.106.AA) - CAMSHAFT, TIMING CONTROL (10) - ENGINE
10.001.ab
3
6
4
4
2
5
1
FIT
1:1
100%

Артикул

Название

Примечание

Количество

1

5801390145

CAMSHAFT

ASSY, Incl 2, 3

1шт.

2

NSS

NOT SOLD SEPARAT

Shaft, Incl in 1

1шт.

3

504345384

PIN

1шт.

4

504387776

TAPPET

8шт.

5

16600224

SCREW,Hex, M8 x 1.25 x 18mm

2шт.

6

4897457

SUPPORT

M8 x 17mm

1шт.

Выбрано товаров: 6