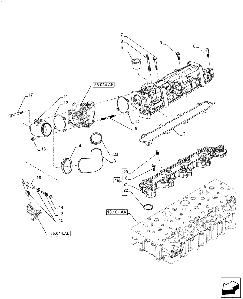
Запчасти Case F5HFL463A F001 (10.254.AM) - INTAKE & EXHAUST MANIFOLD (10) - ENGINE

Схема запчастей Case F5HFL463A F001 - (10.254.AM) - INTAKE & EXHAUST MANIFOLD (10) - ENGINE
55.014.al
9
13
5
1
21
19
7
6
2
15
3
18
23
4
17
16
22
6
20
12
10
11
14
12
8
55.014.ak
10.101.aa
FIT
1:1
100%

Артикул

Название

Примечание

Количество

1

5801546385

TRANSMITTER

1шт.

2

504380898

MANIFOLD GASKET

1шт.

3

5801541036

HOSE

1шт.

4

16945094

CLAMP

1шт.

5

504381914

JUNCTION

1шт.

6

16673835

BOLT,Hex, M8 x 30mm

2шт.

7

16598425

BOLT,M8 x 1.5 x 110mm

5шт.

8

13518021

STUD,M8 x 70mm L

2шт.

9

16728524

STUD

2шт.

10

16586925

BOLT,M8 x 50mm

2шт.

11

504389181

INTAKE AIR HOSE

1шт.

12

504387920

GASKET

2шт.

13

5801376672

UNION

1шт.

14

17749985

GASKET

1шт.

15

18225770

COLLAR CLAMP

2шт.

16

5801404363

TUBE

1шт.

17

16597524

BOLT,Hex, M6 x 65mm, Cl 8.8

2шт.

18

17044625

NUT,Hex, M6

2шт.

19

5801363172

VALVE COVER

ASSY, Incl 6, 20 - 22

1шт.

20

504273002

PLUG,M12 x 1.5

4шт.

21

NSS

NOT SOLD SEPARAT

Valve Cover, Incl in 19

1шт.

22

5801363175

GASKET

4шт.

23

16944794

CLAMP

1шт.

Выбрано товаров: 23