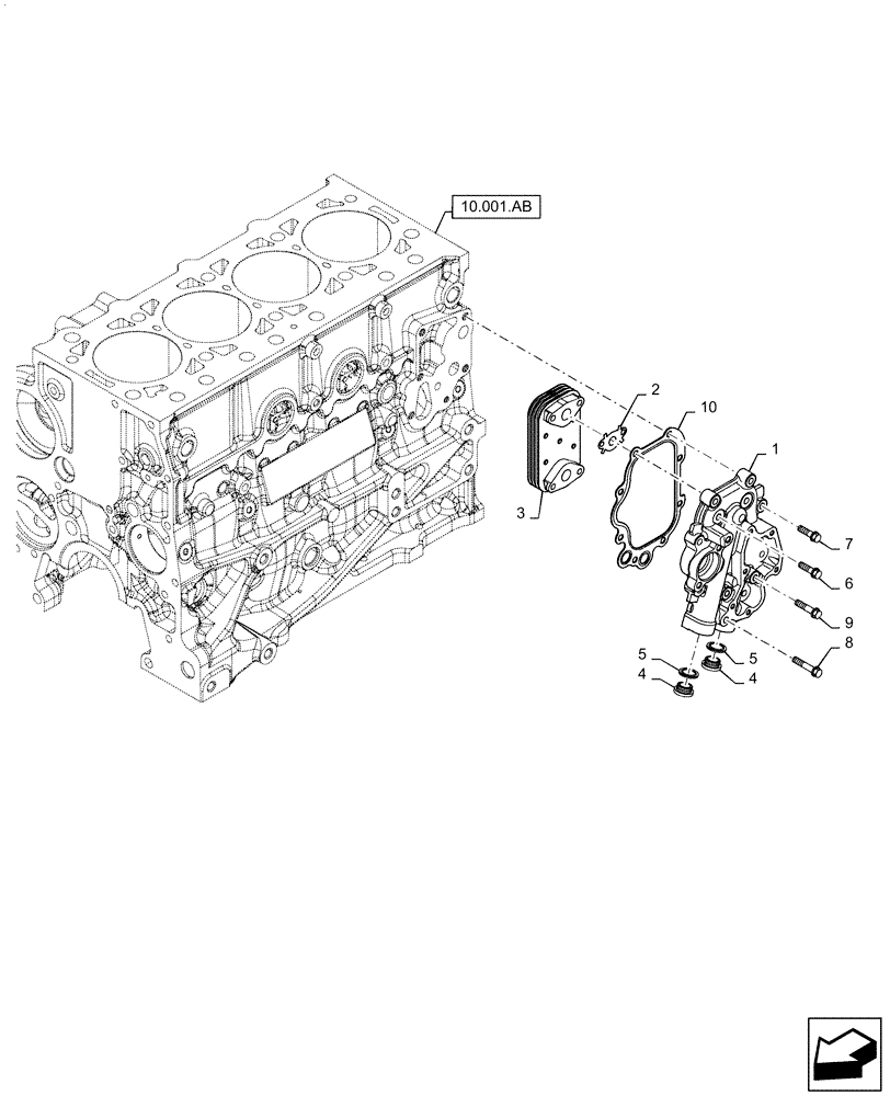
Запчасти Case F5HFL463A F001 (10.408.AC) - HEAT EXCHANGER (10) - ENGINE

Схема запчастей Case F5HFL463A F001 - (10.408.AC) - HEAT EXCHANGER (10) - ENGINE
10.001.ab
8
7
4
4
9
5
2
6
1
3
5
10
FIT
1:1
100%

Артикул

Название

Примечание

Количество

1

5801508971

HEAT EXCHANGER

1шт.

2

504077557

GASKET

2шт.

3

504078695

OIL COOLER

1шт.

4

16993411

PLUG,M22 x 1.5

2шт.

5

99489022

GASKET,22mm ID x 30mm OD x 1.50mm Thk

2шт.

6

16673635

BOLT,Hex, M8 x 1.25 x 20mm, Full Thd

2шт.

7

16673835

BOLT,Hex, M8 x 30mm

7шт.

8

16586925

BOLT,M8 x 50mm

1шт.

9

16586625

BOLT,M8 x 35mm

2шт.

10

504381582

GASKET

1шт.

Выбрано товаров: 10