Качественные детали и логистика
Оригинальные и аналоговые запчасти с доставкой по России, Казахстану и Беларуси
©2022 PartSell ООО "Система" ИНН 2463123282 ОГРН 1212400004838
Центральный офис: г. Красноярск, Академика Киренского, д.87, пом.4
Телефон: 8 (800) 777-65-74 Email: zakaz@partsell.ru
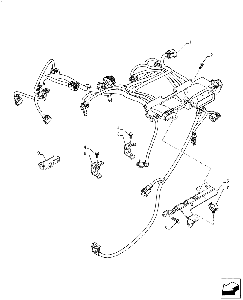
(55.015.AB) - ENGINE, WIRE HARNESS
№
Артикул
Название
Примечание
Количество
1
5801653602
WIRE HARNESS
1шт.
2
16689124
SCREW,M6 x 16mm
3
5801536153
HANGER
4
16978124
BOLT,Hex, M6 x 14mm
2шт.
5
504388110
RETAINER
6
16673635
BOLT,Hex, M8 x 1.25 x 20mm, Full Thd
3шт.
7
5801392545
CLAMP
8
5801535458
9
5801547540
Выбрано товаров: 0