Запчасти Case F5HFL463A F006 (55.014.AL) - TURBOCHARGER, PRESSURE CONTROL VALVE (55) - ELECTRICAL SYSTEMS

Схема запчастей Case F5HFL463A F006 - (55.014.AL) - TURBOCHARGER, PRESSURE CONTROL VALVE (55) - ELECTRICAL SYSTEMS
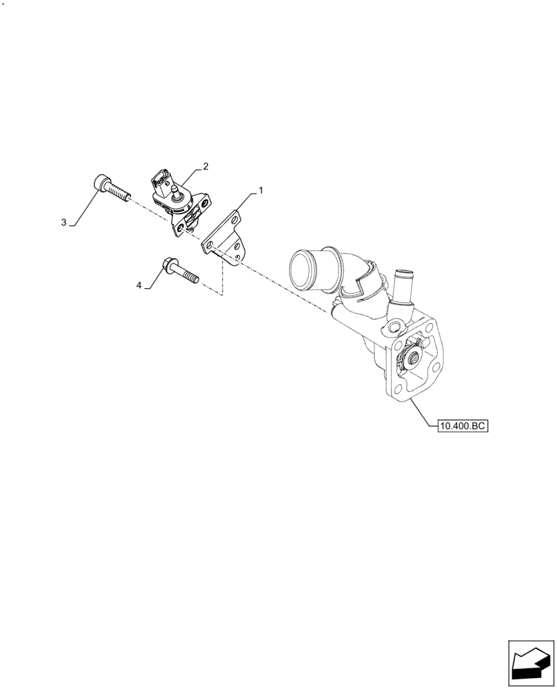
1
3
10.400.bc
4
2
FIT
1:1
100%

Артикул

Название

Примечание

Количество

1

5801402756

BRACKET, SUPPORTING

1шт.

2

504385061

VALVE, PRESSURE CONT

1шт.

3

16689121

SCREW,Skt Hd, M6 x 16mm

M6 x 16 mm

2шт.

4

18137825

BOLT,Hex, M6 x 16mm

M6 x 16 mm

1шт.

Выбрано товаров: 4