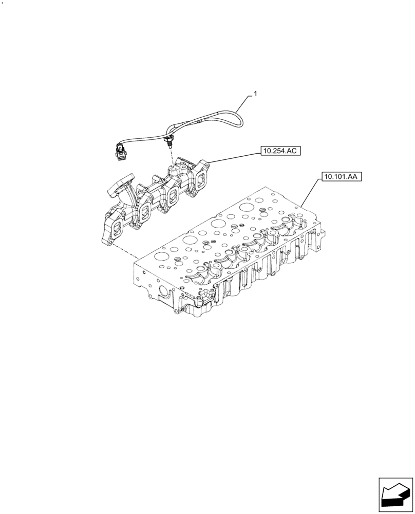
Запчасти Case F5HFL463A F006 (55.014.AM) - EXHAUST MANIFOLD, SENSOR (55) - ELECTRICAL SYSTEMS

Схема запчастей Case F5HFL463A F006 - (55.014.AM) - EXHAUST MANIFOLD, SENSOR (55) - ELECTRICAL SYSTEMS
1
10.254.ac
10.101.aa
FIT
1:1
100%

Артикул

Название

Примечание

Количество

1

504381064

SENSOR

Exhaust manifold temperature

1шт.

Выбрано товаров: 1