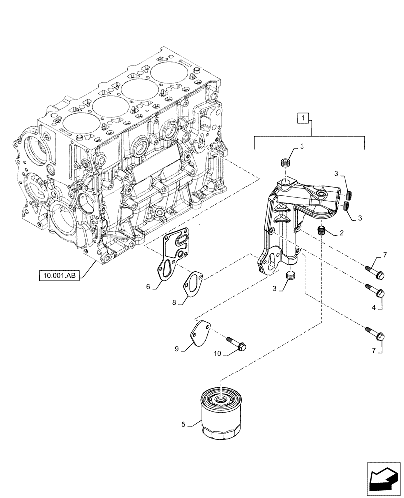
Запчасти Case F5HFL463A F012 (10.304.AE) - ENGINE OIL FILTER (10) - ENGINE

Схема запчастей Case F5HFL463A F012 - (10.304.AE) - ENGINE OIL FILTER (10) - ENGINE
10.001.ab
5
10
1
7
3
4
7
9
8
6
2
3
3
3
FIT
1:1
100%

Артикул

Название

Примечание

Количество

1

NS

NOT SERVICED

Filter head

1шт.

2

NS

NOT SERVICED

Union

1шт.

3

NS

NOT SERVICED

Plug

4шт.

4

NS

NOT SERVICED

Bolt

1шт.

5

5802001312

1шт.

6

NS

NOT SERVICED

Gasket

1шт.

7

NS

NOT SERVICED

Bolt

2шт.

8

504332889

GASKET

1шт.

9

504332869

COVER

1шт.

10

16673835

BOLT,Hex, M8 x 30mm

2шт.

Выбрано товаров: 10