Качественные детали и логистика
Оригинальные и аналоговые запчасти с доставкой по России, Казахстану и Беларуси
©2022 PartSell ООО "Система" ИНН 2463123282 ОГРН 1212400004838
Центральный офис: г. Красноярск, Академика Киренского, д.87, пом.4
Телефон: 8 (800) 777-65-74 Email: zakaz@partsell.ru
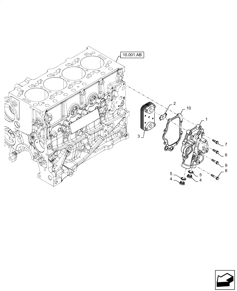
(10.408.AC) - HEAT EXCHANGER
№
Артикул
Название
Примечание
Количество
1
5801508971
HEAT EXCHANGER
1шт.
2
504077557
GASKET
2шт.
3
504078695
OIL COOLER
4
16993411
PLUG,M22 x 1.5
5
99489022
GASKET,22mm ID x 30mm OD x 1.50mm Thk
6
16673635
BOLT,Hex, M8 x 1.25 x 20mm, Full Thd
7
16673835
BOLT,Hex, M8 x 30mm
7шт.
8
16586925
BOLT,M8 x 50mm
9
16586625
BOLT,M8 x 35mm
10
504381582
Выбрано товаров: 0