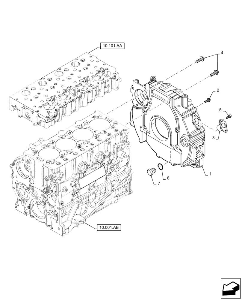
Запчасти Case F5HFL463C F002 (10.103.AK) - FLYWHEEL CASE (10) - ENGINE

Схема запчастей Case F5HFL463C F002 - (10.103.AK) - FLYWHEEL CASE (10) - ENGINE
6
2
10.101.aa
3
10.001.ab
1
4
5
7
FIT
1:1
100%

Артикул

Название

Примечание

Количество

1

504380468

HOUSING

Flywheel

1шт.

2

16673935

BOLT,Hex, M8 x 35mm

2шт.

3

504268669

PLATE

1шт.

4

16678435

BOLT

6шт.

5

504351177

SCREW,M8 x 1.25

2шт.

6

17288480

O-RING,21.81mm ID x 3.53mm

2шт.

7

4895378

BUTTON PLUG,M29.2

2шт.

Выбрано товаров: 7