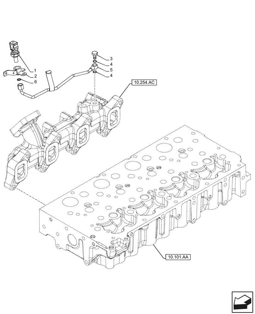
Запчасти Case F5HFL463D F008 (55.014.AN) - EXHAUST MANIFOLD, SENSOR, PRESSURE (55) - ELECTRICAL SYSTEMS

Схема запчастей Case F5HFL463D F008 - (55.014.AN) - EXHAUST MANIFOLD, SENSOR, PRESSURE (55) - ELECTRICAL SYSTEMS
10.101.aa
6
2
3
1
5
4
4
10.254.ac
FIT
1:1
100%

Артикул

Название

Примечание

Количество

1

5801382522

SENSOR

Exhaust manifold pressure

1шт.

2

5801382524

RETAINER

1шт.

3

16511214

HYD CONNECTOR,M12 x 1.5 x 30mm

1шт.

4

5801495064

SEAL

2шт.

5

504387525

TUBE

1шт.

6

16507411

RING

1шт.

Выбрано товаров: 6