Запчасти Case F5HFL413B A001 (10.101.03) - ENGINE BREATHERS (504381675) (10) - ENGINE

Схема запчастей Case F5HFL413B A001 - (10.101.03) - ENGINE BREATHERS (504381675) (10) - ENGINE
home
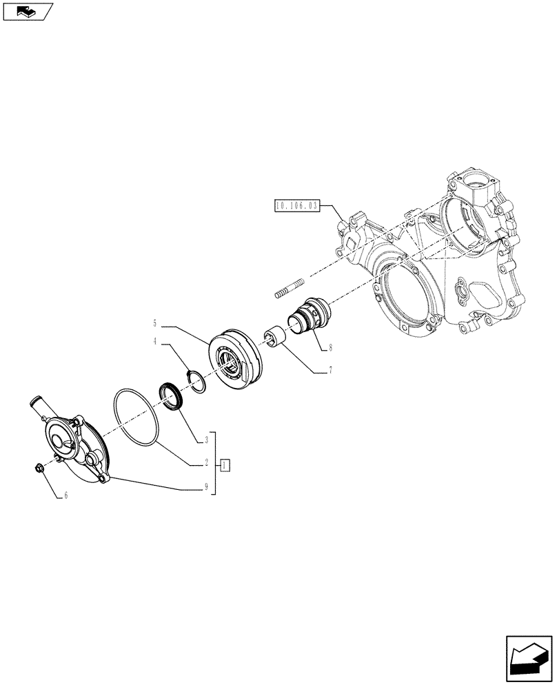
8
4
10.106.03
7
2
6
1
3
9
5
FIT
1:1
100%

Артикул

Название

Примечание

Количество

1

5801514511

BREATHER

ASSY Contains Ref.2, 3, 9

1шт.

2

504325903

O-RING,91.41mm ID x 3.47mm

1шт.

3

504050244

SHAFT SEAL

1шт.

4

16867073

SNAP RING

1шт.

5

504075145

ELEMENT

1шт.

6

2852197

FLANGE NUT,M6 x 1

3шт.

7

5801363192

BUSHING

1шт.

8

5801363191

SHAFT

1шт.

9

NSS

NOT SOLD SEPARAT

1шт.

Выбрано товаров: 9