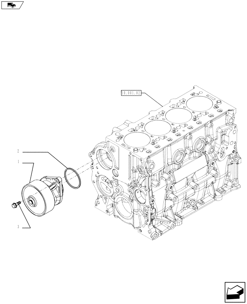
Запчасти Case F5HFL413B A001 (10.402.02) - WATER PUMP & RELATED PARTS (504386949) (10) - ENGINE

Схема запчастей Case F5HFL413B A001 - (10.402.02) - WATER PUMP & RELATED PARTS (504386949) (10) - ENGINE
home
3
1
2
10.001.02
FIT
1:1
100%

Артикул

Название

Примечание

Количество

1

5801395338

WATER PUMP

1шт.

5801395338R

REMAN-WATER PUMP

580N FROM PIN NCC560000,580SN FROM PIN NCC564000,580SNWT,590SN,All TIER 4A (3/12-),F5HFL413B*A001 ENGINE 5801398328 - 84281129

1шт.

5801395338C

CORE-WATER PUMP

Return Number

1шт.

2

2852047

SEALING RING,Square, 5.16mm Thk x 88.27mm ID

1шт.

3

16586424

SCREW,M8 x 25mm

2шт.

Выбрано товаров: 5