Запчасти Case F5HFL413B A002 (10.400.01) - PIPING - ENGINE COOLING SYSTEM (504386309) (10) - ENGINE

Схема запчастей Case F5HFL413B A002 - (10.400.01) - PIPING - ENGINE COOLING SYSTEM (504386309) (10) - ENGINE
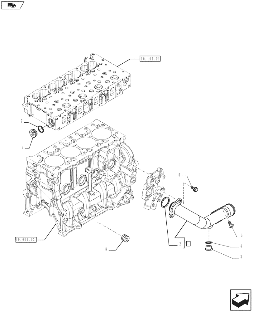
10.001.02
8
3
2
6
4
home
5
7
10.101.01
1
5
FIT
1:1
100%

Артикул

Название

Примечание

Количество

1

504182961

PIPE

- ASSY Contains Ref.2

1шт.

2

17289081

O-RING,31.34mm ID x 3.53mm

D. 31,34X3,53 mm

1шт.

3

10300714

PLUG,M16 x 1.5 x 14

M16 x 1.5

1шт.

4

4858609

WASHER,Brass

D = 16 x 20

1шт.

5

2854311

SCREW,Hex, Flg Hd, M8 x 1.25 x 18mm

M8X1,25X18 mm

1шт.

6

16993711

PLUG,M35 x 1.5

1шт.

7

99469380

GASKET,33mm ID x 45mm OD x 2.8mm Thk

1шт.

8

5801583172

PLUG

1шт.

Выбрано товаров: 8