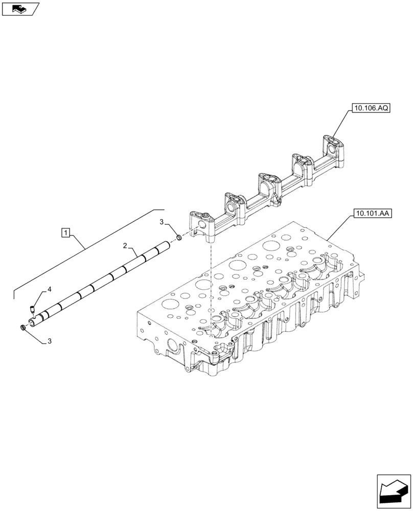
Запчасти Case F5HFL413G A001 (10.106.AP) - ROCKER, SHAFT (10) - ENGINE

Схема запчастей Case F5HFL413G A001 - (10.106.AP) - ROCKER, SHAFT (10) - ENGINE
10.101.aa
4
3
home
10.106.aq
1
3
2
FIT
1:1
100%

Артикул

Название

Примечание

Количество

1

5801364425

SHAFT

ASSY, Incl 2 - 4

1шт.

2

NSS

NOT SOLD SEPARAT

Shaft, Incl in 1

1шт.

3

16987801

PLUG,Lock, M12

2шт.

4

99454296

SCREW

1шт.

Выбрано товаров: 4