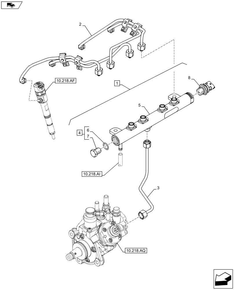
Запчасти Case F5HFL413G A001 (10.218.AA) - FUEL SYSTEM INJECTOR, LINES (10) - ENGINE

Схема запчастей Case F5HFL413G A001 - (10.218.AA) - FUEL SYSTEM INJECTOR, LINES (10) - ENGINE
6
2
home
10.218.af
4
10.218.aq
3
10.218.ai
1
8
7
5
FIT
1:1
100%

Артикул

Название

Примечание

Количество

1

5801470105

MANIFOLD

ASSY, Incl 4, 5, 8

1шт.

2

504387341

INJECTION PIPE

1шт.

3

504387346

RETURN PIPE

1шт.

4

5801474163

VALVE PRESSURE RELIE

ASSY, Incl 6, 7

1шт.

5

NSS

NOT SOLD SEPARAT

Pump, Incl in 1

1шт.

6

42553494

O-RING,17mm ID x 2.50mm

1шт.

7

NSS

NOT SOLD SEPARAT

Valve, Incl in 4

1шт.

8

5801474160

SENSOR

1шт.

Выбрано товаров: 8