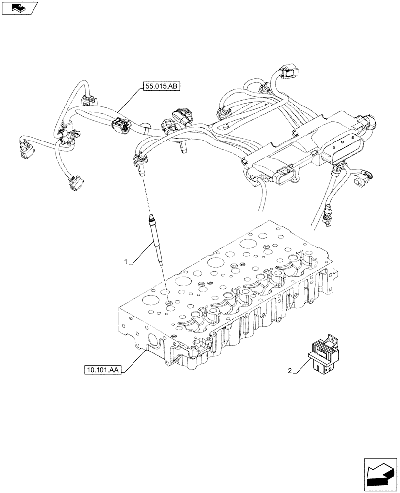
Запчасти Case F5HFL413J A002 (55.202.AD) - GLOW PLUG (55) - ELECTRICAL SYSTEMS

Схема запчастей Case F5HFL413J A002 - (55.202.AD) - GLOW PLUG (55) - ELECTRICAL SYSTEMS
10.101.aa
home
1
55.015.ab
2
FIT
1:1
100%

Артикул

Название

Примечание

Количество

1

504378947

HEATER PLUG

4шт.

2

5801401694

RELAY

1шт.

Выбрано товаров: 2