Качественные детали и логистика
Оригинальные и аналоговые запчасти с доставкой по России, Казахстану и Беларуси
©2022 PartSell ООО "Система" ИНН 2463123282 ОГРН 1212400004838
Центральный офис: г. Красноярск, Академика Киренского, д.87, пом.4
Телефон: 8 (800) 777-65-74 Email: zakaz@partsell.ru
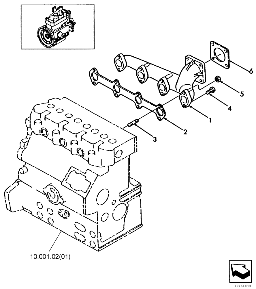
(10.254.05[01]) - EXHAUST MANIFOLD
№
Артикул
Название
Примечание
Количество
2
SBA135996780
MANIFOLD GASKET
1шт.
3
SBA012110860
STUD
2шт.
4
SBA011510860
CAPTIVE WASHER SCREW,Hex, M8 x 60, G5
6шт.
5
9804277
FLANGE NUT,Hex, M8 x 1.25, Cl 8
6
SBA314990013
GASKET
Выбрано товаров: 0