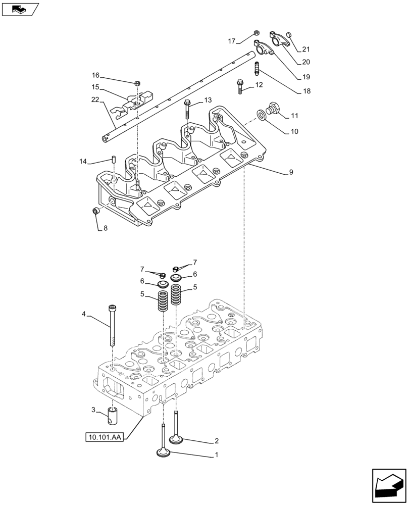
Запчасти Case AP-4LE2XASS01 (10.101.AM) - VALVE (10) - ENGINE

Схема запчастей Case AP-4LE2XASS01 - (10.101.AM) - VALVE (10) - ENGINE
10.101.aa
5
12
10
2
13
7
21
16
9
11
20
6
22
15
18
8
home
1
6
19
17
5
4
7
14
3
FIT
1:1
100%

Артикул

Название

Примечание

Количество

1

VI8971021231

VALVE

4шт.

2

VI8970454103

VALVE

4шт.

3

VI8970346301

TAPPET

8шт.

4

VI8970695753

PUSH ROD

8шт.

5

VI8970346291

VALVE SPRING

8шт.

6

VI8942510311

BUSHING

8шт.

7

VI8942395010

SPLIT COLLAR

16шт.

8

VI9111290830

CUP

1шт.

9

VI8980488890

BRACKET

1шт.

10

VI9095714140

GASKET

1шт.

11

VI8980429440

PLUG

1шт.

12

VI0280506250

BOLT

5шт.

13

VI0280506500

BOLT

5шт.

14

VI9081505160

PIN

1шт.

15

VI8970706982

SPRING

4шт.

16

VI8973296220

NUT

6шт.

17

VI0911115060

NUT

8шт.

18

VI8970104850

SCREW

8шт.

19

VI8972125180

ROCKER ARM

4шт.

20

VI8972125200

ROCKER ARM

4шт.

21

VI8972334290

SEAL

1шт.

22

VI8971186561

SHAFT

1шт.

Выбрано товаров: 22