Качественные детали и логистика
Оригинальные и аналоговые запчасти с доставкой по России, Казахстану и Беларуси
©2022 PartSell ООО "Система" ИНН 2463123282 ОГРН 1212400004838
Центральный офис: г. Красноярск, Академика Киренского, д.87, пом.4
Телефон: 8 (800) 777-65-74 Email: zakaz@partsell.ru
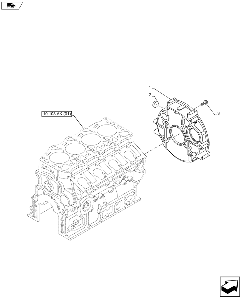
(10.103.AK[01]) - FLYWHEEL & HOUSING
№
Артикул
Название
Примечание
Количество
1
VI8980903222
HOUSING
1шт.
2
VI8972207400
COVER
3
VI0281510250
BOLT
6шт.
Выбрано товаров: 0