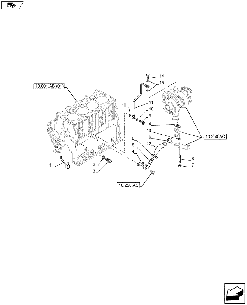
Запчасти Case AP-4LE2XASS01 (10.250.AD) - TURBOCHARGER OIL LINE (10) - ENGINE

Схема запчастей Case AP-4LE2XASS01 - (10.250.AD) - TURBOCHARGER OIL LINE (10) - ENGINE
5
10.250.ac
4
15
3
7
14
10.001.ab (01)
9
1
6
12
11
13
10
2
10.250.ac
4
10
8
6
FIT
1:1
100%

Артикул

Название

Примечание

Количество

1

VI8982102680

PIPE

4шт.

2

VI9095714160

SEAL

1шт.

3

VI8971757031

CHECK VALVE

1шт.

4

VI8943626721

GASKET

2шт.

5

VI8981634610

TUBE

1шт.

6

VI8941258621

CLIP

2шт.

7

VI0911801060

NUT

2шт.

8

VI0410106200

STUD

2шт.

9

VI9099061731

EYEBOLT

1шт.

10

VI9095714100

SEAL

2шт.

11

VI8980959780

PIPE

1шт.

12

VI8981806830

HOSE

1шт.

13

VI0916105060

WASHER

2шт.

14

VI8943328311

EYEBOLT

1шт.

15

VI9095714100

SEAL

2шт.

Выбрано товаров: 15