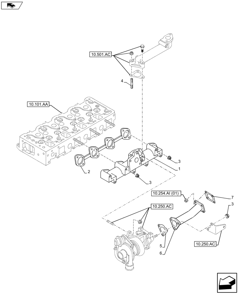
Запчасти Case AP-4LE2XASS01 (10.254.AC) - EXHAUST MANIFOLD (10) - ENGINE

Схема запчастей Case AP-4LE2XASS01 - (10.254.AC) - EXHAUST MANIFOLD (10) - ENGINE
1
10.101.aa
3
10.501.ac
10.250.ac
2
4
5
7
10.254.ai (01)
6
3
3
10.250.ac
FIT
1:1
100%

Артикул

Название

Примечание

Количество

1

VI8980305661

1шт.

2

VI8971261860

GASKET

1шт.

3

VI8971616070

NUT

11шт.

4

VI9041308400

STUD

2шт.

5

VI8973679180

GASKET

1шт.

6

VI8982262560

1шт.

7

VI8973731080

GASKET

1шт.

Выбрано товаров: 7