Качественные детали и логистика
Оригинальные и аналоговые запчасти с доставкой по России, Казахстану и Беларуси
©2022 PartSell ООО "Система" ИНН 2463123282 ОГРН 1212400004838
Центральный офис: г. Красноярск, Академика Киренского, д.87, пом.4
Телефон: 8 (800) 777-65-74 Email: zakaz@partsell.ru
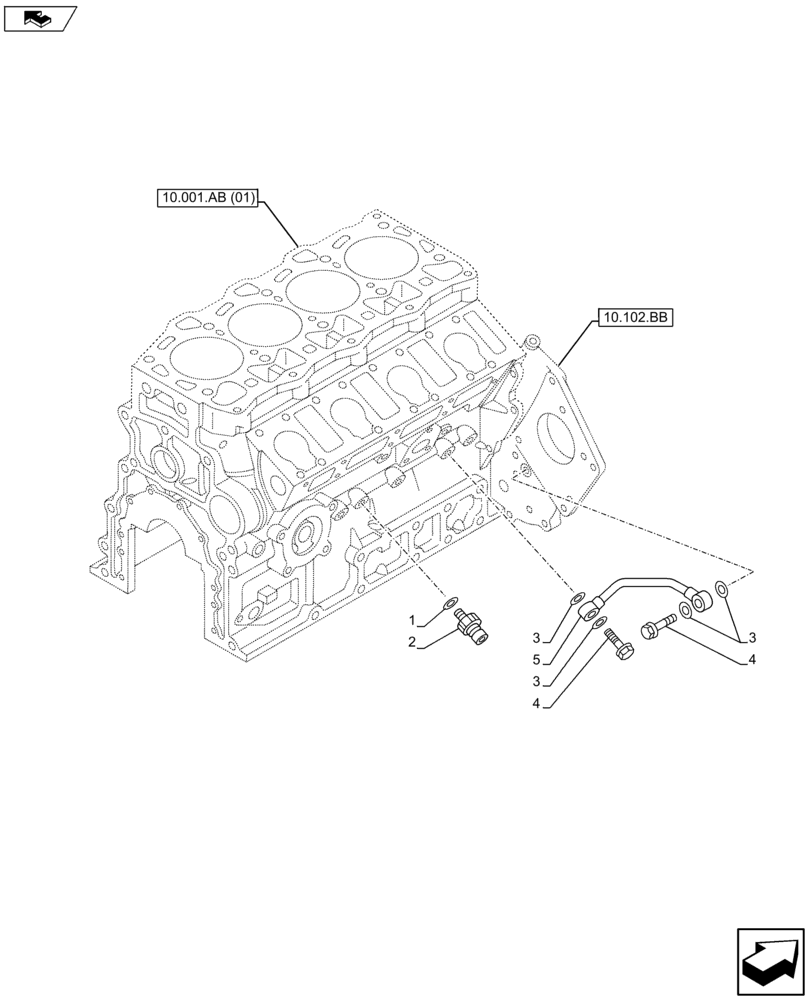
(10.304.AL[01]) - OIL PUMP LINE
№
Артикул
Название
Примечание
Количество
1
VI1096300850
GASKET
1шт.
2
VI8980274560
SENSOR
3
VI9095714080
PACKING
4шт.
4
VI5096750181
BOLT
2шт.
5
VI8982098800
PIPE
Выбрано товаров: 0