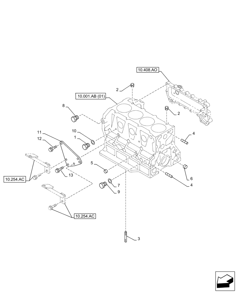
Запчасти Case AQ-4HK1XASS01 (10.001.AB[02]) - CRANKCASE (10) - ENGINE

Схема запчастей Case AQ-4HK1XASS01 - (10.001.AB[02]) - CRANKCASE (10) - ENGINE
9
10
11
12
13
10.254.ac
6
4
3
2
10.001.ab (01)
8
4
5
10.254.ac
2
7
1
10.408.ao
FIT
1:1
100%

Артикул

Название

Примечание

Количество

1

87595840

PLUG

1шт.

2

72109539

PIN

2шт.

3

87595844

STUD

2шт.

4

438159A1

PIN

4шт.

5

289414A1

CUP

1шт.

6

71455287

PLUG

3шт.

7

47703490

GASKET

1шт.

8

84387986

PLUG

1шт.

9

87379489

PLUG

1шт.

10

289092A1

GASKET

1шт.

11

84389347

PLATE

1шт.

12

87595292

BOLT

2шт.

13

84545032

BOLT

1шт.

Выбрано товаров: 13